吐鲁番市高昌区人民政府网
政府信息公开
您的位置:
网站首页
>
政府信息公开
政策
政发文件
政办文件
国务院文件
自治区文件
规范性文件
政府信息公开指南
政府信息公开制度
法定主动公开内容
政务动态
国务院要闻
中央要闻
公示公告
热点动态
领导信息
机构职能
权力清单
权责清单
政务信息
政务会议
提案议案
政务公开标准目录
重点领域信息公开
稳岗就业
养老服务
公共文化服务
社会救助
价格和收费
环境保护
国有土地上房屋征收
重点工程
安全生产
财政公开
财政资金直达基层
财政预决算
政府债务信息
政府采购
行政事业性收费
减税降费
综合监管和检查执法信息
统计信息
食药安全
乡村振兴
医疗卫生
义务教育
公共企事业单位信息公开
规划信息
公务员招考
涉农补贴
新闻出版
交通运输
旅游
自然资源
水利领域
人事任免
政策解读
重大决策
双随机、一公开
行政许可/行政处罚
行政许可公示信息
行政处罚公示信息
行政许可事项清单
其他管理服务信息
行政权力事项清单
重大决策预公开
政府网站工作年度报表
工作报告
政府信息公开年报
区政府本级
2025
2024
2023
2022
2021
2020
2019
各部门
2025
2024
2023
2022
2021
2020
2019
依法申请公开
政府网站工作年度报表
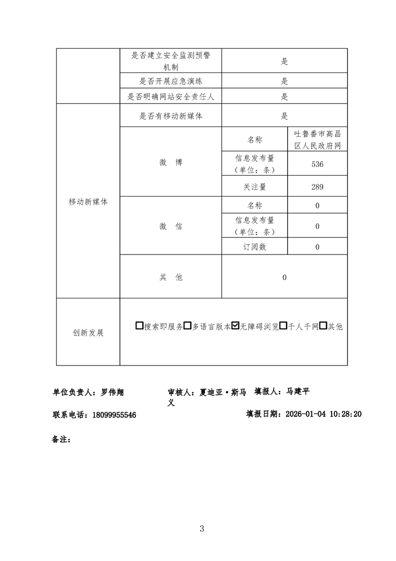
2025年度高昌区人民政府网站工作年度报表
作者:
来源: 高昌区政府网
发布时间:2026-01-04
浏览次数:
上一条:
下一条:
【
关闭
】
8b9f028572a948dc80ffc7b5514fe195
bc1fb3c283cf4f77a469ebae1226acad